采用無源驅動的OLED稱為PM-OLED
采用有源驅動的OLED稱為AM-OLED
AM-OLED具有制作復雜、多像素、大尺寸、高成本等特點
而PM-OLED則具有制作簡單、少像素、小尺寸、低成本等特性
今天先來看看OLED的無源驅動方式
無源驅動(PMOLED)
無源驅動分為靜態驅動電路和動態驅動電路
靜態驅動方式
在靜態驅動的有機發光顯示器件上,一般各有機電致發光像素的陰極是連在一起引出的,各像素的陽極是分立引出的,這就是共陰的連接方式。
若要一個像素發光只要讓橫流源的電壓與陰極的電壓只差大于像素發光值的前提下,像素將在恒流源的驅動下發光;
若要一個像素不發光就將它的陽極接在一個負電壓上,就可將它反向截止。
但是在圖像變化比較多時可能出現交叉效應,為了避免我們必須采用交流的形式。
靜態驅動電路一般用于段式顯示屏的驅動上。
動態驅動方式
在動態驅動的有機發光顯示器件上人們把像素的兩個電極做成了矩陣型結構,即水平一組顯示像素的同一性質的電極是共用的,縱向一組顯示像素的相同性質的另一電極是共用的。
如果像素可分為N行和M列,就可有N個行電極和M個列電極。
行和列分別對應發光像素的兩個電極,即陰極和陽極。
在實際電路驅動的過程中,要逐行點亮或者要逐列點亮像素,通常采用逐行掃描的方式,行掃描,列電極為數據電極。
實現方式
循環給每行的電極施加脈沖,同時所有列電極給出該行像素的驅動電流脈沖,從而實現一行所有像素的顯示,該行不在同一行或者同一列的像素就加反向電壓使其不顯示。由于點亮屏幕的時間較短,人眼的視覺暫留,看到的就是流暢的畫面。

無源矩陣OLED驅動電路
電壓驅動與電流驅動
電壓驅動
電壓驅動即是在OLED的像素點陰陽極上直接加上驅動電壓。
這種電路的結構簡單,易于實現,但是存在很大的缺點,由于分布電阻存在等因素,這種簡單的電壓驅動電路圖像的顯示效果較差,屏幕尺寸越大越明顯。
電流驅動
通過對OLED的光電特性分析可知,OLED的發光亮度與加載的電流近似成線性比例關系,而由于制作工藝的原因,不可能所有的二極管有相同的發光閾值電壓,當屏幕分辨率較高的情況下,會在電極上分布較高的壓降,從而會出現屏幕亮度不均勻的情況,電流驅動的話則不會產生這樣的現象,只要每個像素點的電流值相同,且不超過最大值,就能保證屏幕亮度的一致。
直流驅動與交流驅動
直流驅動
OLED的驅動就電壓極性來可分為直流驅動和交流驅動,由OLED的發光原理可知,在適當的電壓作用下,空穴和電子分別由陽極和陰極注入空穴傳輸層和電子傳輸層,最后在發光層復合發光。
直流驅動時,空穴和電子的傳輸方向不會改變,沒有參與復合的多余的空穴和電子將會累積在傳輸層,復合效率不高。
交流驅動
交流驅動相對于直流驅動來說,有著很大的優勢。交流驅動的正半周期和直流驅動有著相同的效果,也有一些沒有參與復合的多余的空穴和電子積累在傳輸層。
但是負半周期的反向電壓使多余的空穴和電子的傳輸方向發生變化,空穴和電子朝著反方向運動,消耗掉其在傳輸層的累積,從而增強了其在下一個正半周期的復合效率。
交流驅動還可以消除器件中的電場累積,減少因電場累積而造成的電極間的短路,延長器件的使用壽命。
驅動電路硬件系統設計

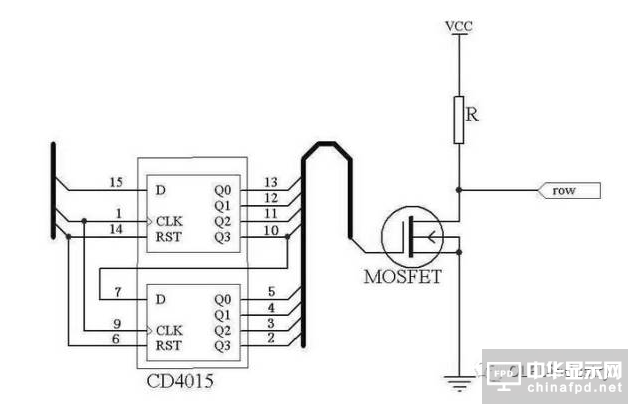
行驅動電路
工作原理
單片機作用在控制器,使之發出行掃描起始信號、移位信號。
行驅動電路接收這些信號,當移位寄存器輸出的為高電平時,該行的MOSFET管導通,選擇適當的電阻R,使得三級管輸出到行電極的為低電平,該行就被導通。
其他沒得到選通信號的行電極,由于三極管的截止,加在其上的電壓為高電平VCC,使其在反向電壓的作用下被抑制截止。
掃描所需要約10~20mA電流,非掃描行需要約10~15V的高電平截止電壓。
列驅動電路設計
列電極上所需的驅動電流比行電極要小,因為行電極是逐行選通,像素被點亮時選通的列電極對應唯一一條行電極。
當某一行被選通時,其上的顯示數據隨機就被傳送到列尋址模塊,然后在OLED屏相應的列上顯示。
其數據將保存在存儲器里面,數據的排列方式是八位一個字節。

列驅動電路
橫流源設計
OLED為電流型驅動器件,經實驗證明,在一定的范圍內其亮度和電流近似成線性關系,對OLED屏的每一個列電極上都接上一個恒流源,只需保證流過每一個OLED像素點的電流為一個常數,就可以保證它們的亮度一致。
同時,采用恒流源驅動還可以有效的避免因為陽極壓降所引起的亮度不均勻的問題,使得顯示質量得到顯著的提高。
預充電技術
OLED是電流控制的器件,它的亮度和電流通過的平均時間成比例,當電流未到OLED的發光閾值前,器件的發光亮度很小,當電流達到其發光閾值后,OLED會隨著電流增加發光強度增大。一個OLED單元可以簡化成一個LED和一個20~30PF的寄生電容并聯。

OLED像素的等效電路
要使OLED發光,電流源首先要將電容充電到OLED的發光電壓,則充電時間會比較長,響應時間會比較慢。
因此,可以在電流源驅動電路中加入預充電電路,先對其電容預充到預先計算的電壓,該電壓略小于其閾值電壓VTH,后再用準確的恒流源來驅動,從而提高其電光相應速度。
在一個掃描周期內,Common為低電平,Segment經歷3個階段分別為:discharge、precharge、display。

Segment/Common顯示波形


預充電技術原理
1、當行掃描開始后,先采用(a)所示電路CD放電,行列驅動電路均接地,使電容兩端電壓為零。
2、放電結束后,利用(b)所示電路對CD充電,充電過程中,行驅動電路接地,列驅動電路接充電電壓PREV。
3、預充電結束后,利用圖5(c)所示電路發光階段,此時掃描行的CD兩端電壓為PREV(接近OLED閾值電壓),行驅動電路接地,列驅動電路接恒流源。
這樣在很大程度上減少了電流源對電容的充電時間。
關注我們
公眾號:china_tp
微信名稱:亞威資訊
顯示行業頂級新媒體
掃一掃即可關注我們